Le choix premium pour vos portes
Le ferme-portes à glissière modèle TS98 XEA répond aux exigences les plus élevées en matière de qualité, de confort et de design. Parfait pour les lieux de vie individuels et les espaces de travail modernes, il s’adapte à tous les types de portes grâce à sa flexibilité de montage et ses fonctionnalités avancées.
Caractéristiques
- Pour les 4 types de montage, ouverture à gauche (DIN-L) / ouverture à droite (DIN-R)
- 3 plages de fermeture différentes : 180°-15° / 15°-0° / 7°-0°
- Force de fermeture réglable en façade avec indicateur visuel de force et tous les réglages en face avant avec valves prisonnières variable de 1 à 6 pour des portes jusqu’à 1.400 mm
- Amortissement de l’ouverture (BC) et temporisation de la fermeture (DC) de série et actives dans toutes les configurations de pose
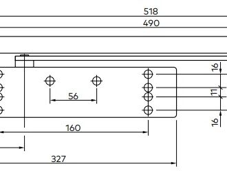
- Fixations invisibles avec trous oblongs pour la glissière
- Certifications EN 1154, CEN /TR 15894
- Conformité accessibilité <50 N, PV feu selon EN 1634-&
Modulable :
- Fermeture jusqu’à une ouverture de porte de 180 °
- 3 vitesses de fermeture 180-15° 15-7°pour le ralentissement (2S°, 7-0 ° pour l’à-coup final, 2 valves techniques BC (Bach Check)
- Freinage à l’ouverture 60-90° et DC (Delay Closer)
- Temporisation à la fermeture 125-70°
- Thermoconstant de -40° à 60°
- Finitions combinables : 2 finitions « Prestige » NIRO (aspect inox) et gold (aspect or)
- Fermeture silencieuse : fermeture SoftFlow de 15° à 0°, en combinaison avec l’à-coup final de 7° à 0°
Avantages
Pour l’intégrateur
- Le paramétrage de toutes les fonctions se fait toujours en face avant
- Le réglage de la force de fermeture peut se faire par visseuse sans fil
- 1 ferme-porte pour les 4 types de montage
- Fermeture depuis une ouverture de porte de 180° (montage côté charnière)
- Affichage visuel de la force de fermeture
- Glissière réglable en hauteur
- Conforme à toutes les normes en vigueur (Feu, accessibilité etc.)
- En série avec plaque de montage avec groupe perforé universel et possibilité de réglage de la hauteur
Pour l’utilisateur
- Confort d’utilisation : ouverture souple et fermeture garantie
- Utilisation facile grâce aux fonctions hydrauliques.
- Fermeture très silencieuse
- Pour les architectes et planificateurs
- Design Premium plusieurs fois récompensé
Contactez-nous pour plus d’informations
Pour obtenir plus de détails sur le ferme-portes modèle TS98, n’hésitez pas à nous contacter. Notre équipe est disponible pour répondre à toutes vos questions et vous fournir les informations nécessaires.








