Serrure multipoints Cisa Modèle 06 – Cambio Facile
La Serrure Cisa Combio Facile (0-6) avec clé à double panneton. Serrures multipoints permettant une recombinaison des clés en cas de besoin. Vendues principalement dans nos portes WK 3.
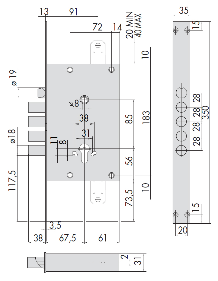
Caractéristiques techniques
- Type : Serrure à clés double panneton (BB), pêne lançant réversible
- Pêne dormant central formé par 4 points d’ancrages de Ø 18 mm
- Course : 20 mm, en 2 tours
- Kit de Clés : Livré avec 5 clés double panneton
- Mécanisme : Déviation haut et bas
- Dimensions :
- Entrée de clés : 67.5 mm
- Entre axes : 85 mm
- Carré : 8 mm
- Têtière rectangulaire : 30/10, 35 x 350 mm
- Gâche : Non comprise
Fonctionnement
Si vous perdez vos clés ou si vous avez confié vos clés à quelqu’un en qui vous n’avez pas totalement confiance, vous pouvez facilement changer le code de la serrure multipoints Cisa Cambio Facile (0-6) sans démonter la serrure. Ce système permet un changement illimité des clés, garantissant une sécurité accrue. La serrure est également prévue avec une clé de chantier, qui ne permet d’agir que sur le lançant et le premier des quatre tours des dormants. Seules les clés normales (définitives) agissent sur les quatre tours.
Sécurité renforcée
Les clés à double panneton agissent sur une double rangée de 6 gorges anti-crochetage, chaque gorge étant activée indépendamment par un ressort en forme de spirale. Combinée à une plaque de montage spéciale en acier au manganèse, la serrure Cisa Cambio Facile (0-6) offre une sécurité de haut niveau, conforme aux normes européennes UNI EN 12209:03.
Contactez-nous pour plus d’informations
Besoin de renseignements complémentaires à propos de la serrure multipoints Cisa Cambio Facile (0-6) ? Appelez-nous maintenant ou contactez-nous.







