Serrure multipoints G-Block Modèle E-10
La Serrure G-Block Mod. E-10, dotée de quatre points d’ancrage principaux et de mécanismes de déviation avancés, elle n’est plus disponible qu’en service après-vente.
Bien que conçue et ayant fait ses preuves en matière de haute sécurité, G-Block a voulu améliorer son produit en développant une nouvelle version modèle E-2.
Caractéristiques techniques
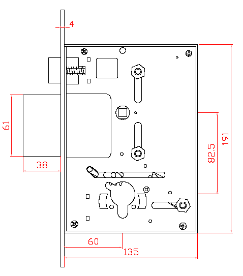
- Type : Serrure à cylindre européen (engrenage 10 dents) et pêne lançant.
- Pêne dormant central : 40 x 60 x 13 mm avec une course de 40 mm en un tour de clé
- Mécanisme de déviation : Haut, arrière et bas
- Entrée de clés 60 mm
- Entre axes 85 mm (82,5 mm avant 2005) et carré de 8 mm
- Têtière : Arrondie en inox 40/10, 25 x 260 mm
- Gâche : Non comprise
- Accessoires compatibles :
- Exclusivement protège cylindre G-Block
- Quincaillerie G-Block conseillée
- Dimensions de cylindre : 50+30 ou 50+40
- Configuration possible : Mod. E-11, Mod. E-12
Contactez-nous pour plus d’informations
Pour obtenir plus d’informations sur la Serrure multipoints G-Block E-10, appelez-nous maintenant ou contactez-nous.









