Sécurité et Innovation
Découvrez la serrure électromécanique Ateko, une solution de verrouillage avancée conçue pour renforcer la sécurité des accès collectifs. Idéale pour les immeubles résidentiels, les bureaux et les espaces communs, cette serrure associe fiabilité, robustesse et technologie de pointe pour s’adapter à vos besoins de contrôle d’accès.
Pourquoi choisir la serrure électromécanique Ateko ?
Face aux défis sécuritaires actuels, la serrure Ateko représente la réponse parfaite aux exigences élevées en matière de protection des entrées. Offrant un rapport qualité-prix inégalé, elle s’adapte parfaitement aux portes d’entrée de collectivités, d’immeubles d’habitation, de bureaux, de garages collectifs et bien plus encore. Sa capacité à intégrer facilement un système de contrôle d’accès en fait un choix de prédilection pour sécuriser vos locaux.
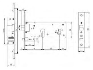
Caractéristiques techniques uniques
La serrure électromécanique Ateko se distingue par ses caractéristiques innovantes :
- Différentes entrées de cylindre disponibles : 20, 25, 30, 35, 40, 45, 50, et 60 mm.
- Noix carrée : dimension de 8 mm.
- Fermeture multi-tension : gâche électrique fonctionnant sur une plage de tension de 12 à 24 volts, AC/DC.
- Finitions de qualité : têtière en inox pour une durabilité accrue.
- Contrôle d’accès polyvalent : compatible avec parlophones, vidéophones, lecteurs de cartes, claviers à code, etc.
- Haute résistance : capacité de charge latérale supérieure à 500 Kg.
- Durabilité exceptionnelle : conçu pour plus de 200 000 cycles d’utilisation.
Fonctionnement et avantages
La serrure Ateko ne se contente pas de sécuriser, elle offre également une grande flexibilité d’utilisation grâce à sa fonction « Jour & Nuit ». En mode standard, la serrure assure une fermeture sécurisée, tandis qu’un dispositif externe (non fourni) permet un accès libre temporaire. De plus, sa fonction anti-panique garantit une évacuation rapide en cas d’urgence, soulignant ainsi notre engagement envers la sécurité et le confort d’utilisation.
Contactez-nous pour plus d’informations
Intéressé par la serrure électromécanique Ateko pour sécuriser vos espaces ? Contactez G-Block dès maintenant pour plus d’informations ou pour demander un devis. Notre équipe est à votre disposition pour répondre à toutes vos questions.









